Yz250 Parts Diagram . elite oem (original equipment manufacture) parts distributor for premium brands! select the year of your yamaha yz 250 above to view the exploded diagrams of all the systems to find and purchase the part. Yz250 motorcycle pdf manual download. view and download yamaha yz250 owner's service manual online. view and download yamaha yz250 parts catalog online. this document is a parts catalogue for yamaha yz250 motorcycles. Yz250 offroad vehicle pdf manual download. revzilla is proud to carry every original part available for your 2020 yamaha yz250 steering assembly. 2005 yamaha yz250 oem parts diagrams. you can use a yamaha yz250 parts diagram to identify specific parts, understand how different components are connected,. It provides part numbers and descriptions to order replacement parts.
from www.cmsnl.com
2005 yamaha yz250 oem parts diagrams. revzilla is proud to carry every original part available for your 2020 yamaha yz250 steering assembly. Yz250 motorcycle pdf manual download. Yz250 offroad vehicle pdf manual download. It provides part numbers and descriptions to order replacement parts. this document is a parts catalogue for yamaha yz250 motorcycles. you can use a yamaha yz250 parts diagram to identify specific parts, understand how different components are connected,. view and download yamaha yz250 owner's service manual online. elite oem (original equipment manufacture) parts distributor for premium brands! view and download yamaha yz250 parts catalog online.
Yamaha Yz250 Competition 1988 (j) Usa Exhaust schematic partsfiche
Yz250 Parts Diagram you can use a yamaha yz250 parts diagram to identify specific parts, understand how different components are connected,. this document is a parts catalogue for yamaha yz250 motorcycles. view and download yamaha yz250 owner's service manual online. revzilla is proud to carry every original part available for your 2020 yamaha yz250 steering assembly. view and download yamaha yz250 parts catalog online. Yz250 motorcycle pdf manual download. It provides part numbers and descriptions to order replacement parts. you can use a yamaha yz250 parts diagram to identify specific parts, understand how different components are connected,. select the year of your yamaha yz 250 above to view the exploded diagrams of all the systems to find and purchase the part. 2005 yamaha yz250 oem parts diagrams. Yz250 offroad vehicle pdf manual download. elite oem (original equipment manufacture) parts distributor for premium brands!
From www.cmsnl.com
Yamaha YZ250 1989 3JE1 EUROPE 293JE300E1 CRANKSHAFT, PISTON buy Yz250 Parts Diagram 2005 yamaha yz250 oem parts diagrams. you can use a yamaha yz250 parts diagram to identify specific parts, understand how different components are connected,. Yz250 motorcycle pdf manual download. Yz250 offroad vehicle pdf manual download. view and download yamaha yz250 owner's service manual online. select the year of your yamaha yz 250 above to view the. Yz250 Parts Diagram.
From www.cmsnl.com
Yamaha YZ250 COMPETITION 1989 (K) USA SWING ARM buy original SWING Yz250 Parts Diagram view and download yamaha yz250 parts catalog online. 2005 yamaha yz250 oem parts diagrams. select the year of your yamaha yz 250 above to view the exploded diagrams of all the systems to find and purchase the part. Yz250 offroad vehicle pdf manual download. view and download yamaha yz250 owner's service manual online. revzilla is. Yz250 Parts Diagram.
From www.vitalmx.com
Yz250 wiring help!!! Tech Help/Race Shop Motocross Forums / Message Yz250 Parts Diagram view and download yamaha yz250 parts catalog online. this document is a parts catalogue for yamaha yz250 motorcycles. It provides part numbers and descriptions to order replacement parts. you can use a yamaha yz250 parts diagram to identify specific parts, understand how different components are connected,. select the year of your yamaha yz 250 above to. Yz250 Parts Diagram.
From wirecrafted.com
Exploring the Inner Workings of the Yz250 A Comprehensive Parts Diagram Yz250 Parts Diagram It provides part numbers and descriptions to order replacement parts. revzilla is proud to carry every original part available for your 2020 yamaha yz250 steering assembly. view and download yamaha yz250 parts catalog online. elite oem (original equipment manufacture) parts distributor for premium brands! Yz250 offroad vehicle pdf manual download. select the year of your yamaha. Yz250 Parts Diagram.
From www.cmsnl.com
Yamaha YZ2501 1996 (T) USA CARBURETOR buy original CARBURETOR spares Yz250 Parts Diagram Yz250 offroad vehicle pdf manual download. select the year of your yamaha yz 250 above to view the exploded diagrams of all the systems to find and purchase the part. view and download yamaha yz250 owner's service manual online. elite oem (original equipment manufacture) parts distributor for premium brands! 2005 yamaha yz250 oem parts diagrams. . Yz250 Parts Diagram.
From www.cmsnl.com
Yamaha Yz2501 Competition 1999 (x) Usa Crankcase schematic partsfiche Yz250 Parts Diagram Yz250 motorcycle pdf manual download. revzilla is proud to carry every original part available for your 2020 yamaha yz250 steering assembly. 2005 yamaha yz250 oem parts diagrams. view and download yamaha yz250 owner's service manual online. It provides part numbers and descriptions to order replacement parts. Yz250 offroad vehicle pdf manual download. select the year of. Yz250 Parts Diagram.
From www.thumpertalk.com
Swingarm (rear arm) bearing change yz250 02... Yamaha 2Stroke Yz250 Parts Diagram revzilla is proud to carry every original part available for your 2020 yamaha yz250 steering assembly. you can use a yamaha yz250 parts diagram to identify specific parts, understand how different components are connected,. view and download yamaha yz250 parts catalog online. 2005 yamaha yz250 oem parts diagrams. view and download yamaha yz250 owner's service. Yz250 Parts Diagram.
From www.thumpertalk.com
how to tell if my yz 250 has sss forks and shock Yamaha 2Stroke Yz250 Parts Diagram Yz250 motorcycle pdf manual download. select the year of your yamaha yz 250 above to view the exploded diagrams of all the systems to find and purchase the part. this document is a parts catalogue for yamaha yz250 motorcycles. Yz250 offroad vehicle pdf manual download. 2005 yamaha yz250 oem parts diagrams. view and download yamaha yz250. Yz250 Parts Diagram.
From www.cmsnl.com
Yamaha Yz250 1985 (f) Usa Radiatorhose schematic partsfiche Yz250 Parts Diagram Yz250 motorcycle pdf manual download. 2005 yamaha yz250 oem parts diagrams. this document is a parts catalogue for yamaha yz250 motorcycles. revzilla is proud to carry every original part available for your 2020 yamaha yz250 steering assembly. elite oem (original equipment manufacture) parts distributor for premium brands! view and download yamaha yz250 owner's service manual. Yz250 Parts Diagram.
From cmsnl.com
Yamaha Yz250b1 1991 Carburetor schematic partsfiche Yz250 Parts Diagram Yz250 offroad vehicle pdf manual download. It provides part numbers and descriptions to order replacement parts. Yz250 motorcycle pdf manual download. elite oem (original equipment manufacture) parts distributor for premium brands! this document is a parts catalogue for yamaha yz250 motorcycles. 2005 yamaha yz250 oem parts diagrams. select the year of your yamaha yz 250 above. Yz250 Parts Diagram.
From www.cmsnl.com
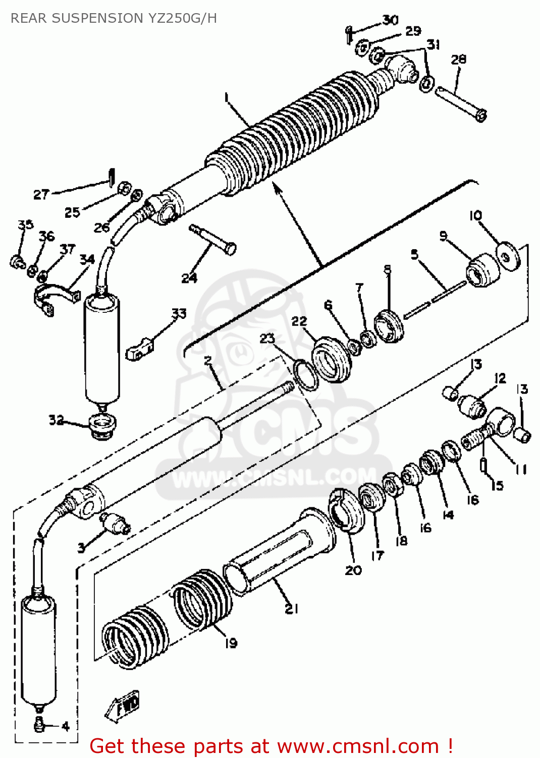
Yamaha Yz250 Competition 1981 (b) Usa Rear Suspension Yz250g/h Yz250 Parts Diagram view and download yamaha yz250 owner's service manual online. It provides part numbers and descriptions to order replacement parts. Yz250 motorcycle pdf manual download. you can use a yamaha yz250 parts diagram to identify specific parts, understand how different components are connected,. revzilla is proud to carry every original part available for your 2020 yamaha yz250 steering. Yz250 Parts Diagram.
From www.cmsnl.com
Yamaha Yz250 G Competion 1980/1981 Transmission Yz250g schematic Yz250 Parts Diagram view and download yamaha yz250 parts catalog online. select the year of your yamaha yz 250 above to view the exploded diagrams of all the systems to find and purchase the part. Yz250 motorcycle pdf manual download. It provides part numbers and descriptions to order replacement parts. you can use a yamaha yz250 parts diagram to identify. Yz250 Parts Diagram.
From www.cmsnl.com
Yamaha Yz250 1979 Usa Kick Starter schematic partsfiche Yz250 Parts Diagram Yz250 motorcycle pdf manual download. It provides part numbers and descriptions to order replacement parts. select the year of your yamaha yz 250 above to view the exploded diagrams of all the systems to find and purchase the part. 2005 yamaha yz250 oem parts diagrams. this document is a parts catalogue for yamaha yz250 motorcycles. elite. Yz250 Parts Diagram.
From www.cmsnl.com
Yamaha Yz2501 1995 (s) Usa Front Fork schematic partsfiche Yz250 Parts Diagram this document is a parts catalogue for yamaha yz250 motorcycles. view and download yamaha yz250 parts catalog online. It provides part numbers and descriptions to order replacement parts. elite oem (original equipment manufacture) parts distributor for premium brands! select the year of your yamaha yz 250 above to view the exploded diagrams of all the systems. Yz250 Parts Diagram.
From www.partzilla.com
Yamaha Motorcycle 2019 OEM Parts Diagram for FRAME Yz250 Parts Diagram this document is a parts catalogue for yamaha yz250 motorcycles. you can use a yamaha yz250 parts diagram to identify specific parts, understand how different components are connected,. Yz250 offroad vehicle pdf manual download. view and download yamaha yz250 parts catalog online. 2005 yamaha yz250 oem parts diagrams. view and download yamaha yz250 owner's service. Yz250 Parts Diagram.
From www.megazip.net
Intake for 1995 Yamaha YZ250 USA sales region, , 14576166810829 Yz250 Parts Diagram It provides part numbers and descriptions to order replacement parts. Yz250 offroad vehicle pdf manual download. 2005 yamaha yz250 oem parts diagrams. you can use a yamaha yz250 parts diagram to identify specific parts, understand how different components are connected,. Yz250 motorcycle pdf manual download. elite oem (original equipment manufacture) parts distributor for premium brands! view. Yz250 Parts Diagram.
From www.cmsnl.com
Yamaha Yz250 Competition 1980 (a) Usa Crankcase Yz250g schematic Yz250 Parts Diagram view and download yamaha yz250 owner's service manual online. elite oem (original equipment manufacture) parts distributor for premium brands! Yz250 motorcycle pdf manual download. this document is a parts catalogue for yamaha yz250 motorcycles. you can use a yamaha yz250 parts diagram to identify specific parts, understand how different components are connected,. revzilla is proud. Yz250 Parts Diagram.
From www.cmsnl.com
Yamaha Yz2501 1997 (v) Usa Clutch schematic partsfiche Yz250 Parts Diagram 2005 yamaha yz250 oem parts diagrams. Yz250 offroad vehicle pdf manual download. elite oem (original equipment manufacture) parts distributor for premium brands! view and download yamaha yz250 parts catalog online. It provides part numbers and descriptions to order replacement parts. this document is a parts catalogue for yamaha yz250 motorcycles. you can use a yamaha. Yz250 Parts Diagram.